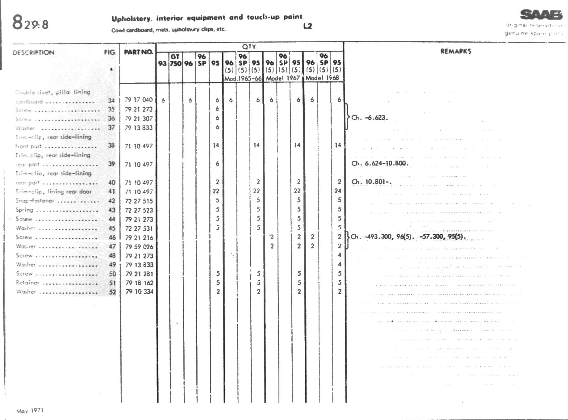
5-L02         ↑ Main Index     < Previous     Next >

5-L02