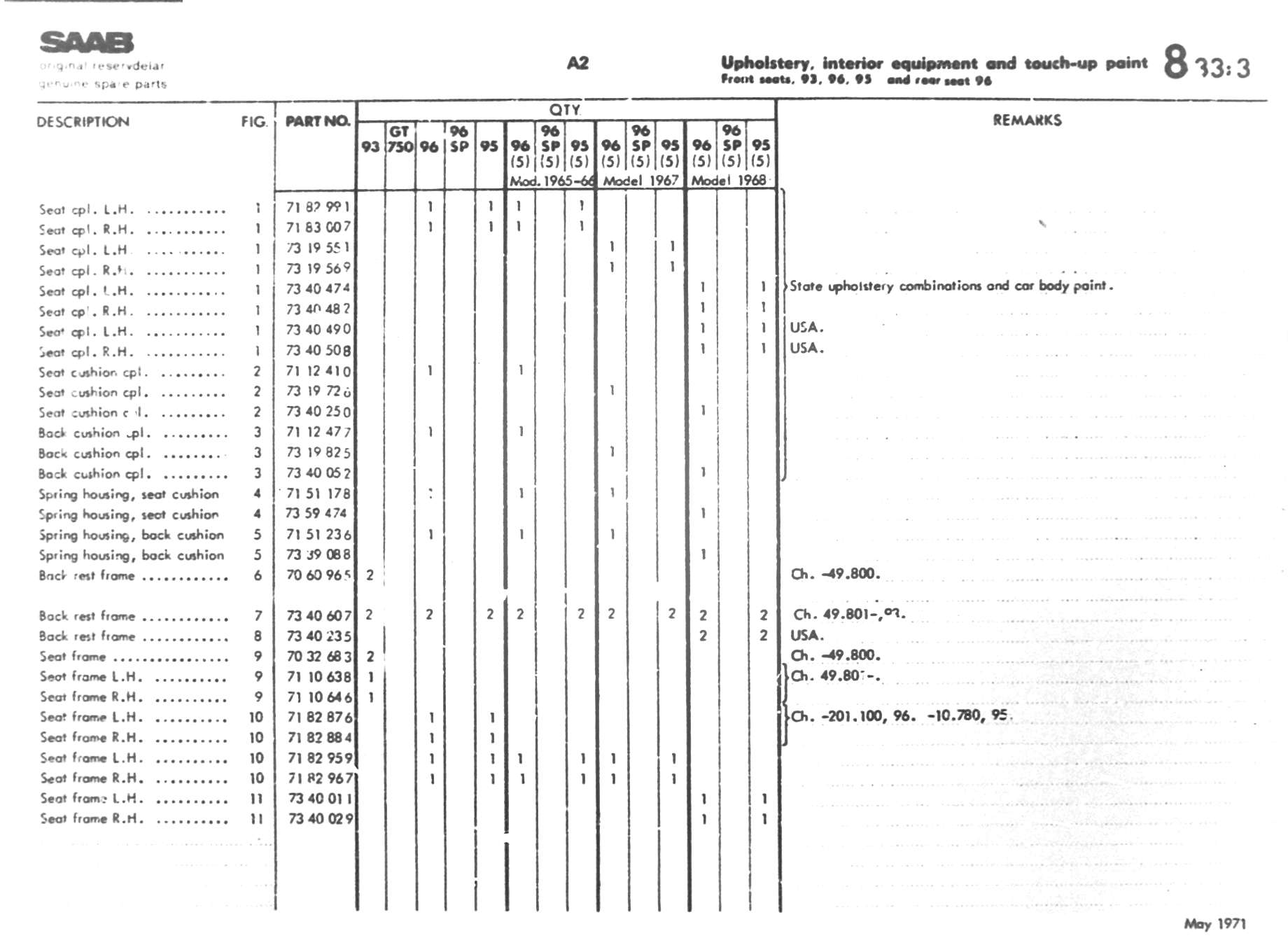
6-A02         ↑ Main Index     < Previous     Next >

6-A02